Skip to content Skip to footer

Mặt bích hệ DIN PN16

WELD NECK FLANGE DIN 2631 PN6

1. Standard: DIN 2633, Vorschweißflansche
2. Type: Welding Neck Flange, WN Flange (Raised Face)
3. Pressure: PN16
4. Size: DN15 – DN1000, larger Sizes available on request
5. Raw Material: C22.8, RSt37.2, S235JRG2, C21, A105
6. Process: Forged
7. Basic requirements for Material and Flange

Germany standard flange DIN 2633 welding neck flanges; nominal pressure 16
Vorschweißflansche DIN 2633 Nenndruck 16
Brides à souder à collerette DIN 2633: pression nominale 16
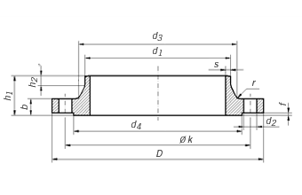
Pipe Flange Neck Raised face Screws Weight
(7,85 Kg/dm3)
Rated d1 D b k h1 d3 s r h2 d4 f Holes Thread d2 Kg
Diameter ISO Series DIN Series
15 - 20 95 14 65 35 30 2 4 6 45 2 4 M 12 14 0,648
21,3 - 32
20 - 25 105 16 75 38 38 2,3 4 6 58 2 4 M 12 14 0,952
26,9 - 40
25 - 30 115 16 85 38 42 2,6 4 6 68 2 4 M 12 14 1,14
33,7 - 45
32 - 38 140 16 100 40 52 2,6 6 6 78 2 4 M 16 18 1,69
42,4 - 56
40 - 44,5 150 16 110 42 60 2,6 6 7 88 3 4 M 16 18 1,86
48,3 - 64
50 - 57 165 18 125 45 72 2,9 6 8 102 3 4 M 16 18 2,53
60,3 - 75
65 76,1 - 185 18 145 45 90 2,9 6 10 122 3 4 M 16 18 3,06
80 88,9 - 200 20 160 50 105 3,2 8 10 138 3 8 M 16 18 3,7
100 - 108 220 20 180 52 125 3,6 8 12 158 3 8 M 16 18 4,62
114,3 - 131
125 - 133 250 22 210 55 150 4 8 12 188 3 8 M 16 18 6,3
139,7 - 156
150 - 159 285 22 240 55 175 4,5 10 12 212 3 8 M 20 22 7,75
168,3 - 184
(175) 193,7 - 315 24 270 60 210 5,4 10 12 242 3 8 M 20 22 9,85
200 219,1 - 340 24 295 62 235 5,9 10 16 268 3 12 M 20 22 11
250 - 267 405 26 355 70 285 6,3 12 16 320 3 12 M 24 26 15,6
273 - 292
300 323,9 - 460 28 410 78 344 7,1 12 16 378 4 12 M 24 26 22
350 355,6 - 520 30 470 82 390 8 12 16 438 4 16 M 24 26 31,2
- 368 28,8
400 406,4 - 580 32 525 85 445 8 12 16 490 4 16 M 27 30 39,3
- 419 36,3
(450) 457 - 640 34 585 85 490 8 12 16 550 4 20 M 27 30 44,3
500 508 - 715 34 650 90 548 8 12 16 610 4 20 M 30 33 61
600 610 - 840 36 770 95 652 8,8 12 18 725 5 20 M 33 36 75,4
700 711 - 910 36 840 100 755 8,8 12 18 795 5 24 M 33 36 77
800 813 - 1025 38 950 105 855 10 12 20 900 5 24 M 36 39 101
900 914 - 1125 40 1050 110 955 10 12 20 1000 5 28 M 36 39 122
1000 1016 - 1255 42 1170 120 1058 10 16 22 1115 5 28 M 39 42 162

NOTES:

1. Facing according to DIN 2526 
Flat face: 
Form A, Face without any requirements
Form B, Face Rz=160, machined (not smoother than 40µm)
Raised Face: 
Form C, Face Rz=160, machined (not smoother than 40µm)
Form D, Face Rz=40, machined
Form E, Face Rz=16, machined
2. Tongue and groove according to DIN 2512
Form F, Tongue
Form N, Groove 
3. Male and Female according to DIN 2513, DIN 2514
Form V13, V14, Male
Form R13, R16, Female
4. Chemfering for diaphragm-weld packings, PN64-PN400, according to DIN 2695
5. Facing for lens-shaped joints, PN64-PN400, according to DIN 2696

Leave a comment

Địa chỉ liên hệ
  1. Trụ sở chính: Số 99 Cộng Hoà, Phường Tân Sơn Nhất, Tp. Hồ Chí Minh.
  2. Xưởng 1: 117 Nguyễn Thị Ly, Xã Xuân Thới Sơn, Tp. Hồ Chí Minh.
  3. Xưởng 2: 118B Nguyễn Văn Bứa, Xã Xuân Thới Sơn, Tp. Hồ Chí Minh.

Điện thoại: 028-3.815 3579 

Email: lienhe@noihoisaigon.com.vn Email : ttda@noihoisaigon.com.vn
Nhận tin từ chúng tôi

    Noihoisaigon.com.vn © 2026. All rights reserved.

    1. Trụ sở chính: Số 99 Cộng Hoà, Phường Tân Sơn Nhất,, Tp. Hồ Chí Minh
    2. Xưởng 1: Số 117 đường Nguyễn Thị Ly, xã Xuân Thới Sơn, huyện Hóc Môn, TP. Hồ Chí Minh.
    3. Xưởng 2: Số 118B đường Nguyễn Văn Bứa, xã Xuân Thới Sơn, huyện Hóc Môn, TP. Hồ Chí Minh.
    Điện thoại: 028-3.815 3579 Email: lienhe@noihoisaigon.com.vn Email : ttda@noihoisaigon.com.vn